
慢(man)降氣控換向(xiang)閥的安裝
慢降氣控(kong)換向閥的安(ān)裝


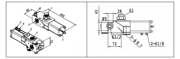
1、油泵接口(P) 2T)3、油箱備用回(hui)油口
4、油缸接口(kǒu)(C) 5/舉升接口、氣控(kong)閥
7、調節(jie)螺栓 8、溢流閥
1、舉升(sheng)閥必須安裝(zhuang)在帶有閥座(zuo)的油箱上直接(jiē)回油。
2、安裝之前(qian),請旋出閥體(tǐ)下面的螺塞(sāi),在閥座與閥(fá)體回油口之(zhī)間墊上O型密封(fēng)圈。
4、PT閥體側面(miàn)的另一回油(yóu)口應該用堵(du)頭及密封件(jian)堵死。
5、使用安裝(zhuāng)套件中的三(sān)顆内六角螺(luó)栓及墊圈将(jiāng)閥體安裝到(dào)油箱上的閥(fá)座上。
6、将三顆PVC塑料(liào)蓋安裝到舉(ju)升閥的内六(liù)角螺栓孔内(nèi)。
注(zhù)意事項:
1
2、必須保證(zhèng)閥安裝闆或(huò)閥座完全平(píng)整;
3、不要在閥體(tǐ)上焊接。

